Мы используем cookie для наилучшего представления нашего сайта. Подробнее об этом в Политике конфиденциальности.
Ок

Анапа

Ваш город:
Анапа (Краснодарский край)?
Нет
Да
Каталог
Каталог Написать в WhatsApp
Мотоэкипировка

Зажимная скоба 2-х тактного ПЛМ MERCURY 25 М Серийный номер от 0N055505 и выше

Зажимная скоба 2-х тактного ПЛМ MERCURY 25 М Серийный номер от 0N055505 и выше в Краснодаре: актуальный каталог, цены, фото, описание. Купите зажимная скоба 2-х тактного плм mercury 25 м серийный номер от 0n055505 и выше в кредит – оформите заявку онлайн за 1 минуту!

Оригинальные запчасти

Артикул НАИМЕНОВАНИЕ Кол-во деталей в узле Примечание Наличие Цена Аналоги Фото
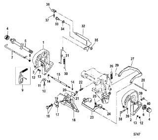
1 9622T02 CLAMP BRACKET STB

Под заказ

1

Под заказ

уточнить

Купить
2 898101T26 CLAMP BRACKET, Starboard

Под заказ

1

Под заказ

уточнить

Купить
3 9623T02 CLAMP BRACKET STB

Под заказ

1

Под заказ

уточнить

Купить
4 898101T25 CLAMP BRACKET, Port

Под заказ

1

Под заказ

уточнить

Купить
5 898101191 Трубка (TILT TUBE)

Под заказ

1

Под заказ

уточнить

Купить
6 853722029 Гайка (NUT, Nylon)

Под заказ

1

Под заказ

уточнить

Купить
7 898101207 Упор двигателя (THRUST ROD)

Под заказ

1

Под заказ

уточнить

Купить
8 8126455 Пружина (SPRING)

Под заказ

1

Под заказ

уточнить

Купить
9 8M0060116 CLAMP SCREW KIT

Под заказ

1

Под заказ

уточнить

Купить
10 8M0054653 CLAMP SCREW

Под заказ

1

Под заказ

уточнить

Купить
11 167051 Болт (BOLT)

Под заказ

1

Под заказ

уточнить

Купить
12 823913Q Анод (ANODE)

Под заказ

1

Под заказ

уточнить

Купить
13 895106 *** Шайба (WASHER @2)

Под заказ

2

Под заказ

уточнить

Купить
14 898101044 DISTANCE PIECE

Под заказ

1

Под заказ

уточнить

Купить
15 879194272 Болт (BOLT)

Под заказ

2

Под заказ

уточнить

Купить
16 879194006 Пластина (SET PLATE)

Под заказ

1

Под заказ

уточнить

Купить
17 898101208 Кронштейн (STOPPER, Tilt)

Под заказ

1

Под заказ

уточнить

Купить
18 95218016 Штифт (PIN, Spring)

Под заказ

1

Под заказ

уточнить

Купить
19 8251131 Вставка (BRACKET)

Под заказ

1

Под заказ

уточнить

Купить
20 853774 Стопор (STOP)

Под заказ

1

Под заказ

уточнить

Купить
21 953832 Пружина (FRICTION SPRING)

Под заказ

1

Под заказ

уточнить

Купить
22 162132 Ручка (ARM, Reverse Lock)

Под заказ

1

Под заказ

уточнить

Купить
23 879194007 SCREW

Под заказ

2

Под заказ

уточнить

Купить
24 953834 Пружина (SPRING)

Под заказ

1

Под заказ

уточнить

Купить
25 879194008 Пружина (SPRING)

Под заказ

1

Под заказ

уточнить

Купить
26 162131 ARM, Reverse Lock

Под заказ

1

Под заказ

уточнить

Купить
27 8537474 ROD, Reverse Lock

Под заказ

1

Под заказ

уточнить

Купить
28 8150261 Шплинт (COTTER PIN)

Под заказ

1

Под заказ

уточнить

Купить
29 953833 Пружина (SPRING)

Под заказ

1

Под заказ

уточнить

Купить
30 8537475 Тяга (LINK, Reverse Lock)

Под заказ

1

Под заказ

уточнить

Купить
31 853759T01 Рычаг (LEVER)

Под заказ

1

Под заказ

уточнить

Купить
32 162612 Болт (SCREW)

Под заказ

1

Под заказ

уточнить

Купить
33 853775 Захват (GRIP)

Под заказ

1

Под заказ

уточнить

Купить
34 16192 Шайба (WASHER@10)

Под заказ

4

Под заказ

уточнить

Купить
35 879194337 Гайка (NUT)

Под заказ

2

Под заказ

уточнить

Купить

Нулевая цена не означает отсутствие товара. Оформите заказ, и менеджер сообщит вам цену и наличие товара, предварительно запросив их у поставщика

Главная Магазины
Корзина0
Профиль