Мы используем cookie для наилучшего представления нашего сайта. Подробнее об этом в Политике конфиденциальности.
Ок

Анапа

Ваш город:
Анапа (Краснодарский край)?
Нет
Да
Каталог
Каталог Написать в WhatsApp
Мотоэкипировка

Топливный насос 4-Х ТАКТНОГО ПЛМ MERCURY 30 Серийный номер от 0R106999 и выше

Топливный насос 4-Х ТАКТНОГО ПЛМ MERCURY 30 Серийный номер от 0R106999 и выше в Краснодаре: актуальный каталог, цены, фото, описание. Купите топливный насос 4-х тактного плм mercury 30 серийный номер от 0r106999 и выше в кредит – оформите заявку онлайн за 1 минуту!

Оригинальные запчасти

Артикул НАИМЕНОВАНИЕ Кол-во деталей в узле Примечание Наличие Цена Аналоги Фото
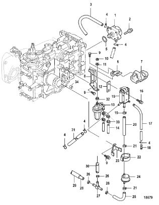
1 803529T04 Топливный насос (FUEL PUMP)

Под заказ

1

Под заказ

уточнить

Купить
2 823042 Болт (BOLT)

Под заказ

2

Под заказ

уточнить

Купить
3 804821004 HOSE, Fuel, To Vapor Seperator

Под заказ

1

Под заказ

уточнить

Купить
4 16109003 Кольцо (O-RING)

Под заказ

1

Под заказ

уточнить

Купить
5 898101222 BRACKET

Под заказ

1

Под заказ

уточнить

Купить
6 898101223 MOUNT, Rubber

Под заказ

1

Под заказ

уточнить

Купить
7 898101033 PLATE

Под заказ

1

Под заказ

уточнить

Купить
8 898101066 GASKET, Fuel Cooler

Под заказ

1

Под заказ

уточнить

Купить
9 8M0088825 Топливный фильтр (FUEL FILTER KIT)

Под заказ

1

Под заказ

уточнить

Купить
10 898101266 HOSE, Fuel Filter to Fuel Pump

Под заказ

1

Под заказ

уточнить

Купить
11 898101T65 COOLER, Fuel

Под заказ

1

Под заказ

уточнить

Купить
12 898101156 HOSE, Rubber, Fuel Cooler to Water Connector

Под заказ

1

Под заказ

уточнить

Купить
13 898101219 Штуцер водоотливной (CONNECTOR)

Под заказ

1

Под заказ

уточнить

Купить
14 898101237 CLAMP, (16.8)

Под заказ

1

Под заказ

уточнить

Купить
15 8M0120630 HOSE

Под заказ

1

Под заказ

уточнить

Купить
16 803525004 CLIP

Под заказ

2

Под заказ

уточнить

Купить
17 898101070 MOUNT, Rubber-Fuel Filter

Под заказ

1

Под заказ

уточнить

Купить
18 898101069 BRACKET, Fuel Filter

Под заказ

1

Под заказ

уточнить

Купить
19 898101093 Топливный фильтр (FILTER, Fuel-High Pressure)

Под заказ

1

Под заказ

уточнить

Купить
20 898101271 HOSE

Под заказ

1

Под заказ

уточнить

Купить
21 856880002 CLAMP

Под заказ

3

Под заказ

уточнить

Купить
22 898101211 FITTING

Под заказ

1

Под заказ

уточнить

Купить
23 898101269 HOSE, Rubber, To Fuel Rail

Под заказ

1

Под заказ

уточнить

Купить
24 898101104 SLEEVE

Под заказ

1

Под заказ

уточнить

Купить
25 898101270 HOSE, Rubber, To Vapor Seperator

Под заказ

1

Под заказ

уточнить

Купить
26 898101100 HOSE, To Cylinder Block

Под заказ

1

Под заказ

уточнить

Купить
27 898101274 COLLAR

Под заказ

1

Под заказ

уточнить

Купить

Нулевая цена не означает отсутствие товара. Оформите заказ, и менеджер сообщит вам цену и наличие товара, предварительно запросив их у поставщика

Главная Магазины
Корзина0
Профиль