Мы используем cookie для наилучшего представления нашего сайта. Подробнее об этом в Политике конфиденциальности.
Ок

Анапа

Ваш город:
Анапа (Краснодарский край)?
Нет
Да
Каталог
Каталог Написать в WhatsApp
Мотоэкипировка

Генератор 4-Х ТАКТНОГО ПЛМ SEA-PRO F2.5P

Генератор 4-Х ТАКТНОГО ПЛМ SEA-PRO F2.5P в Краснодаре: актуальный каталог, цены, фото, описание. Купите генератор 4-х тактного плм sea-pro f2.5p в кредит – оформите заявку онлайн за 1 минуту!

Оригинальные запчасти

Артикул НАИМЕНОВАНИЕ Кол-во деталей в узле Примечание Наличие Цена Аналоги Фото
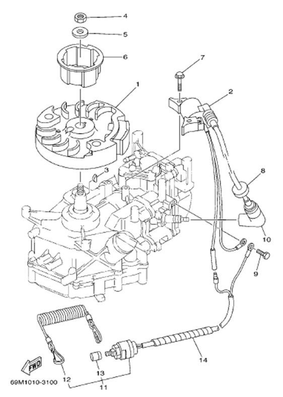
1 154-10001 Маховик

Под заказ

1

Под заказ

уточнить

Купить
2 154-10002 Катушка высоковольтная

Под заказ

1

Под заказ

уточнить

Купить
3 5MHS-05020 Шпонка ротора 4.0×5.34×12.6

Под заказ

1

Под заказ

уточнить

Купить
4 5MHS-05021 Гайка крепления маховика

Под заказ

1

Под заказ

уточнить

Купить
5 154-10005 Шайба маховика φ10.3×φ28×2.5

Под заказ

1

Под заказ

уточнить

Купить
6 154-10006 Стакан стартера φ71

Под заказ

1

Под заказ

уточнить

Купить
7 963-05010 Болт M6×12

Под заказ

1

Под заказ

уточнить

Купить
8 15FMH-11034 Кнопка аварийной остановки двигателя

Под заказ

1

Под заказ

уточнить

Купить
9 15FMH-11035 Чека кнопки остановки

Под заказ

1

Под заказ

уточнить

Купить
10 15FMH-11036 Колпачек кнопки

Под заказ

1

Под заказ

уточнить

Купить
11 154-10014 Втулка пластиковая φ6×130

Под заказ

1

Под заказ

уточнить

Купить

Нулевая цена не означает отсутствие товара. Оформите заказ, и менеджер сообщит вам цену и наличие товара, предварительно запросив их у поставщика

Главная Магазины
Корзина0
Профиль