Мы используем cookie для наилучшего представления нашего сайта. Подробнее об этом в Политике конфиденциальности.
Ок

Анапа

Ваш город:
Анапа (Краснодарский край)?
Нет
Да
Каталог
Каталог Написать в WhatsApp
Мотоэкипировка

Цилиндр и картер 4-Х ТАКТНОГО ПЛМ SEA-PRO F5P

Цилиндр и картер 4-Х ТАКТНОГО ПЛМ SEA-PRO F5P в Краснодаре: актуальный каталог, цены, фото, описание. Купите цилиндр и картер 4-х тактного плм sea-pro f5p в кредит – оформите заявку онлайн за 1 минуту!

Оригинальные запчасти

Артикул НАИМЕНОВАНИЕ Кол-во деталей в узле Примечание Наличие Цена Аналоги Фото
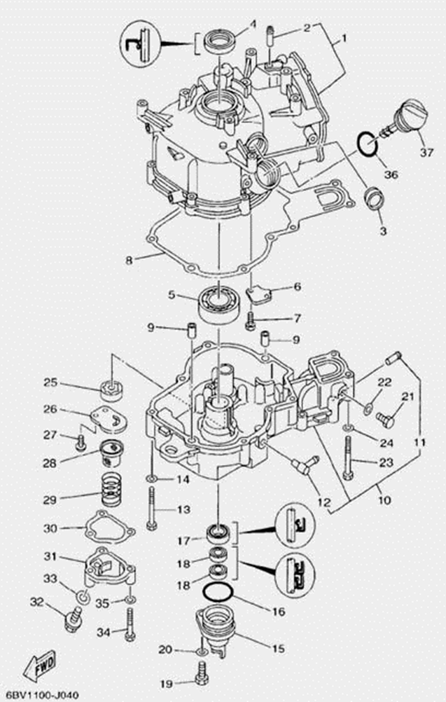
1 562-04001 Блок двигателя

Под заказ

1

Под заказ

уточнить

Купить
2 562-04002 Штуцер

Под заказ

1

Под заказ

уточнить

Купить
3 562-04003 Смотровое окно

Под заказ

1

Под заказ

уточнить

Купить
4 562-04004 Сальник коленвала верхний 25×40×5

Под заказ

1

Под заказ

уточнить

Купить
5 562-04005 Подшипник 25×52×15

Под заказ

1

Под заказ

уточнить

Купить
6 562-04006 Крышка сапуна

Под заказ

1

Под заказ

уточнить

Купить
7 562-04007 Болт M5×10 8.8

Под заказ

2

Под заказ

уточнить

Купить
8 562-02005 Штифт установочный 10×8.5×13.8

Под заказ

2

Под заказ

уточнить

Купить
9 562-04010 Картер

Под заказ

1

Под заказ

уточнить

Купить
10 15FMH-02016-2 Трубка

Под заказ

1

Под заказ

уточнить

Купить
11 15FMH-02016 Штуцер

Под заказ

1

Под заказ

уточнить

Купить
12 562-04013/14 Болт с шайбой

Под заказ

8

Под заказ

уточнить

Купить
13 562-04015 Корпус сальника

Под заказ

1

Под заказ

уточнить

Купить
14 562-04016 Кольцо уплотнительное 2×35

Под заказ

1

Под заказ

уточнить

Купить
15 562-04017 Сальник коленвала нижний 20×30×7

Под заказ

1

Под заказ

уточнить

Купить
16 5MHS-02018 Сальник вертикального вала 21*10.8*7

Под заказ

2

Под заказ

уточнить

Купить
17 PNFM40E-13024 Болт

Под заказ

1

Под заказ

уточнить

Купить
18 562-04022 Шайба 8.2×13×1.5

Под заказ

1

Под заказ

уточнить

Купить
19 PNFM40E-15003 Болт с шайбой

Под заказ

2

Под заказ

уточнить

Купить
20 562-04025 Ротор масляного насоса

Под заказ

1

Под заказ

уточнить

Купить
21 562-04026 Крышка ротора

Под заказ

1

Под заказ

уточнить

Купить
22 562-04027 Болт M6*10

Под заказ

2

Под заказ

уточнить

Купить
23 562-04028 Фильтр масляный

Под заказ

1

Под заказ

уточнить

Купить
24 562-04029 Компрессионная пружина

Под заказ

1

Под заказ

уточнить

Купить
25 562-04030 Прокладка масляного насоса

Под заказ

1

Под заказ

уточнить

Купить
26 562-04031 Крышка

Под заказ

1

Под заказ

уточнить

Купить
27 PNFM40E-14003 Болт

Под заказ

1

Под заказ

уточнить

Купить
28 562-04022 Шайба 8.2×13×1.5

Под заказ

1

Под заказ

уточнить

Купить
29 562-04036 Кольцо уплотнительное 3×25

Под заказ

1

Под заказ

уточнить

Купить
30 562-04037 Щуп-пробка уровня масла

Под заказ

1

Под заказ

уточнить

Купить

Нулевая цена не означает отсутствие товара. Оформите заказ, и менеджер сообщит вам цену и наличие товара, предварительно запросив их у поставщика

Главная Магазины
Корзина0
Профиль