Мы используем cookie для наилучшего представления нашего сайта. Подробнее об этом в Политике конфиденциальности.
Ок

Анапа

Ваш город:
Анапа (Краснодарский край)?
Нет
Да
Каталог
Каталог Написать в WhatsApp
Мотоэкипировка

Двигатель 4-Х ТАКТНОГО ПЛМ SEA-PRO F5P

Двигатель 4-Х ТАКТНОГО ПЛМ SEA-PRO F5P в Краснодаре: актуальный каталог, цены, фото, описание. Купите двигатель 4-х тактного плм sea-pro f5p в кредит – оформите заявку онлайн за 1 минуту!

Оригинальные запчасти

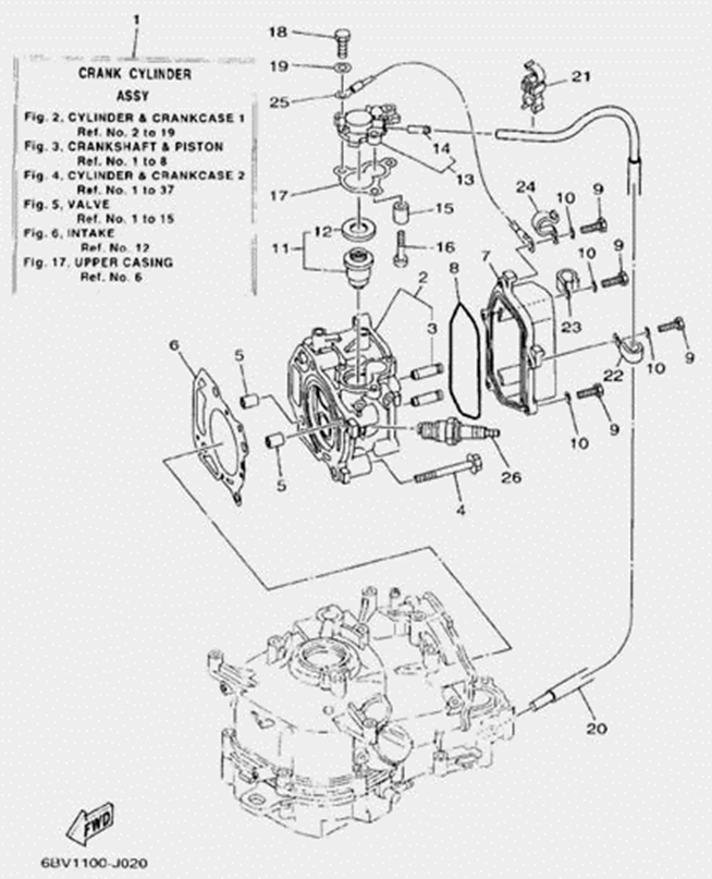
Артикул НАИМЕНОВАНИЕ Кол-во деталей в узле Примечание Наличие Цена Аналоги Фото
1 562-02001 Двигатель в сборе

Под заказ

1

Под заказ

уточнить

Купить
2 562-02002 Головка блока цилиндра

Под заказ

1

Под заказ

уточнить

Купить
3 562-02005 Штифт установочный 10×8.5×13.8

Под заказ

2

Под заказ

уточнить

Купить
4 562-02007 Крышка ГБЦ

Под заказ

1

Под заказ

уточнить

Купить
5 15FMH-02023 Термостат T15P (2-22)

В наличии

1

В наличии

2 500

3 580

Купить
6 15FMH-02023-1 Шайба термостата T15P (2-23)

В наличии

1

В наличии

100

380

Купить
7 562-02013 Крышка корпуса термостата

Под заказ

1

Под заказ

уточнить

Купить
8 15FMH-02016-2 Трубка

Под заказ

1

Под заказ

уточнить

Купить
9 963-02011 Втулка

Под заказ

1

Под заказ

уточнить

Купить
10 963-02012 Винт

Под заказ

1

Под заказ

уточнить

Купить
11 562-02020 Трубка 9X5 L=245mm

Под заказ

1

Под заказ

уточнить

Купить
12 562-02021 Зажим

Под заказ

1

Под заказ

уточнить

Купить
13 963-06005 Держатель

Под заказ

2

Под заказ

уточнить

Купить
14 562-02024 Зажим

Под заказ

1

Под заказ

уточнить

Купить
15 562-02025 Провод заземления L=320mm

Под заказ

1

Под заказ

уточнить

Купить
16 562-02026 Свеча зажигания NGK CR6HSB

Под заказ

1

Под заказ

уточнить

Купить

Нулевая цена не означает отсутствие товара. Оформите заказ, и менеджер сообщит вам цену и наличие товара, предварительно запросив их у поставщика

Главная Магазины
Корзина0
Профиль